|
 JSA型--安全型联轴器 |
|
|
|
|


蛇形弹簧联轴器,是一种结构先进的金属弹性联轴器,它靠蛇形弹簧片来传递扭矩,蛇形弹簧联轴器是当今国际机械领最先进的轴联接传动部件,也是一种非常通用的轴联接传动部件蛇形弹簧联轴器共有九类型式,分别是JS罩壳径向安装型(基本型)蛇形弹簧联轴器、JSB罩壳轴向安装型蛇形弹簧联轴器、JSS双法兰联接型蛇形弹簧联轴器、JSD单法兰联接型蛇形弹簧联轴器、SJS接中间轴型蛇形弹簧联轴器、JSG高速型蛇形弹簧联轴器、JSZ带制动轮型蛇形弹簧联轴器、JSP带制动盘型蛇形弹簧联轴器、JSA安全型蛇形弹簧联轴器等。
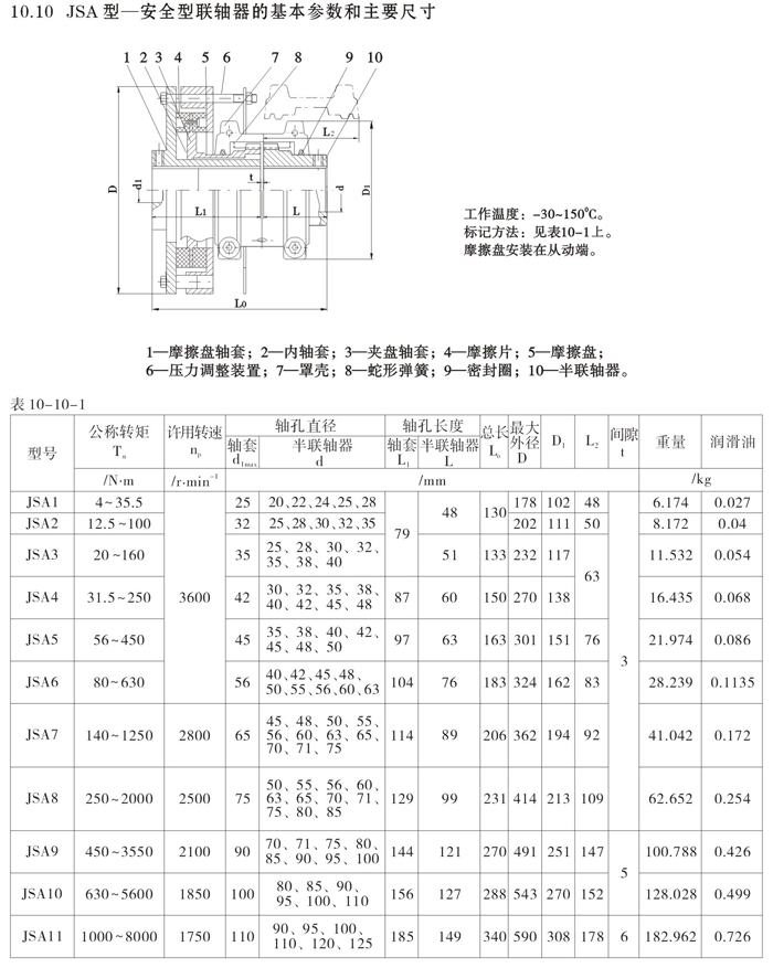
蛇形弹簧联轴器其主要结构是由两个半联轴节,两个半外罩,两个密封圈及蛇形弹簧片组成。它是靠蛇簧嵌入两半联轴节的齿槽内来传递扭矩,联轴器以蛇形弹簧片嵌入两个半联轴节的齿槽内,来实现主动轴与从动轴的链接。运转时,是靠主动端齿面对蛇簧的轴向作用力带动从动端,来传递扭矩,如此在很大程度上避免了共振现象发生,且簧片在传递扭矩时所产生的弹性变量,使机械系统能获得较好的减振效果,其平均减振率达36%以上。


JS型蛇形弹簧联轴器是一种结构先进的金属弹性联轴器。它以蛇形弹簧片轴向嵌入两半联轴器的齿槽内,来实现原动机与工作机的联接,由于簧片的特殊性能,从而很大程度上避免了原动机与工作机的共振现象,使用寿命远高于非金属弹性元件联轴器;簧片所接触的齿面为弧形,接触面的大小随传递扭矩的大小而变化,因而它能承受更大的载荷变动量,经测定其短时超载能力为额定扭矩的2~3倍,传动效率达99.5%,运行安全可靠;且蛇形弹簧联轴器的结构简单,装拆方便,允许有较大的安装偏差,适用于冲击式的碎煤机、蛇形弹簧联轴器碎石机、曲柄往复运动、矿山、重型机械、减速机等。
沧州天硕联轴器有限公司最新样本分为万向联轴器样本,刚性、弹性联轴器样本,精密联轴器样本,鼓形齿联轴器样本,胀紧联结套样本共五册。电子样本已经上传到网上,你可以随时下载,下载网址: http://www.nly.cn/yangben.htm,点击一下相关链接,就可以免费下载电子样本,下载PDF清晰版电子样本下载后用Adobe
Reader 打开。
另外公司还提供了二维码扫描下载,只要是用智能手机上的软件扫描扫描一下二维码,就可以打开网页,将样本下载到手机上。
如果需要印刷版样本,请发传真或邮件,免费索取,请注明:客户姓名 单位名称 联系地址 联系人电话号码,信息不全的不予寄送。
索取印刷版样本请发传真到: 0317-8263317(自动接收) 8288876(人工接收)。
|